Desde la tierra del sol naciente llegan noticias para Suzuki que podrían desencadenar una nueva generación de la GSX-S1000.
Se rumora la existencia de una nueva patente del motor de este modelo, la GSX-S1000, que posiblemente sea el mismo que se utilizará en la Suzuki Katana.
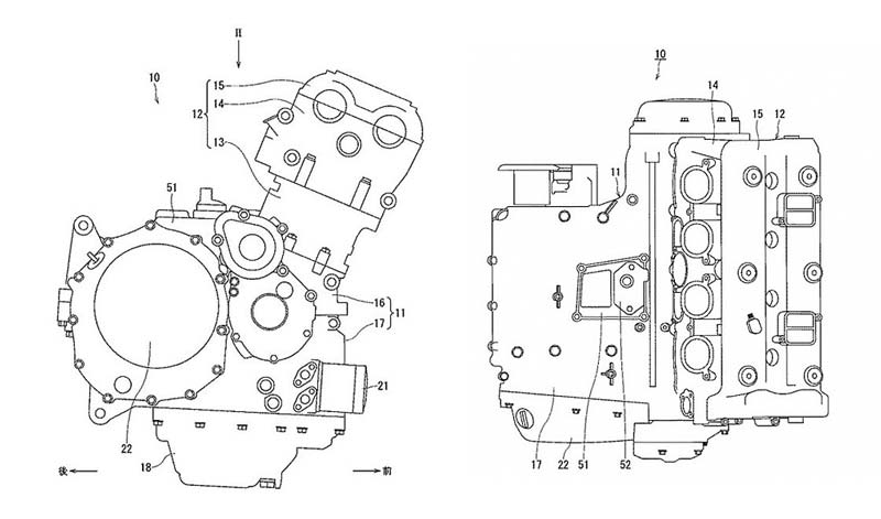
Según lo que se aprecia en los dibujos del diseño, este nuevo motor presenta una mejora en el sistema de lubricación, conservando gran parecido con el K5, que hasta la fecha sigue siendo un modelo económico de fabricar que no requiere los últimos adelantos en tecnología para alcanzar potencias de hasta 200 cv.
Se considera que para el año 2019 la GSX-S1000 presentará una nueva imagen, al igual que la Suzuki Katana, que se basará en la GSX-S1000 para crear un modelo con el espíritu de la afilada espada japonesa del mismo nombre.
Publicaciones recientes
Estrenar seguridad: La decisión clave al...
Dic 10, 2025
Silence S02 2026: La moto eléctrica urba...
Dic 9, 2025
Nolan X-904 UC: Innovación inteligente q...
Dic 9, 2025
Harley-Davidson X440 T: Una nueva apuest...
Dic 8, 2025
Ángel Nieto: La Leyenda del asfalto
Dic 8, 2025
Adéntrate a la carrera más salvaje con l...
Dic 8, 2025
JOE ROCKET se reunifica después de 20 añ...
Dic 8, 2025
Triumph Tiger Sport 800 Tour: La nueva t...
Dic 8, 2025
Icoma Tatamel 2026: la moto plegable de ...
Dic 6, 2025
Reconocidos por su gran pasión por el mo...
Dic 1, 2025
Entradas relacionadas




